產品編號:SIGEW…ES 12~320
滑動磨擦副:鋼/鋼
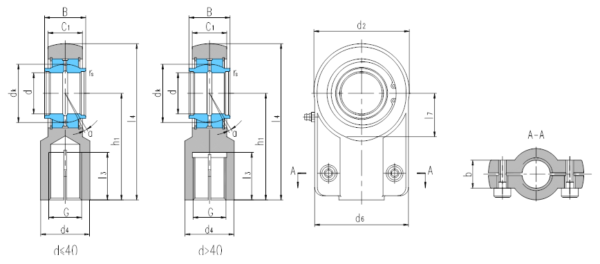
產品特點:帶鎖口桿端關節軸承由桿端體和向心關節軸承GEEW…ES組裝而成,用擋圈固定,d<63,桿端體材料是碳鋼,63≤d≤80,桿端體材料是碳鋼或球墨鑄鐵,d>80,桿端體材料是球墨鑄鐵,桿端體的內螺紋帶有鎖口,配有螺釘緊固;可通過油杯潤滑。
使用溫度范圍:-50℃~+150℃
軸 承 型 號 Bearing number | 外 形 尺 寸 Dimensions mm | 額定載荷 Load Ratings kN | 鎖 緊 螺 釘 Screw | 重量 Weight ≈kg | |||||||||||||||
d | B | dK | C1
| d2
| G 6H | h1 | l3
| l4
| l7
| d4
| d6
| b | rs
| α? ≈ | 動載荷 Dynamic | 靜載荷 Static | |||
SIGEW12ES 1) | 12 | 12 | 18 | 11 | 32 | M12×1.25 | 38 | 17 | 54 | 14 | 16 | 32 | 15 | 0.3 | 4 | 10 | 24.5 | M5×16 | 0.11 |
SIGEW16ES | 16 | 16 | 23 | 14 | 40 | M14×1.5 | 44 | 19 | 64 | 18 | 21 | 40 | 15 | 0.3 | 4 | 17 | 36.5 | M6×16 | 0.20 |
SIGEW20ES | 20 | 20 | 29 | 17 | 47 | M16×1.5 | 52 | 23 | 77 | 22 | 25 | 47 | 19 | 0.3 | 4 | 30 | 48 | M8×20 | 0.35 |
SIGEW25ES | 25 | 25 | 35.5 | 22 | 58 | M20×1.5 | 65 | 29 | 96 | 27 | 30 | 54 | 19 | 0.6 | 4 | 48 | 78 | M8×20 | 0.62 |
SIGEW32ES | 32 | 32 | 43 | 28 | 71 | M27×2 | 80 | 42 | 118.5 | 32 | 38 | 66 | 22 | 0.6 | 4 | 65 | 114 | M10×25 | 1.15 |
SIGEW40ES | 40 | 40 | 53 | 33 | 90 | M33×2 | 97 | 52.5 | 146 | 41 | 47 | 80 | 26 | 0.6 | 4 | 99 | 204 | M10×25 | 2.18 |
SIGEW50ES | 50 | 50 | 66 | 40 | 109 | M42×2 | 120 | 63.5 | 179.5 | 50 | 58 | 96 | 32 | 0.6 | 4 | 156 | 310 | M12×35 | 3.96 |
SIGEW63ES | 63 | 63 | 83 | 53 | 136 | M48×2 | 140 | 72 | 211 | 62 | 70 | 114 | 38 | 1 | 4 | 253 | 430 | M16×40 | 7.23 |
SIGEW63ES-D 2) | |||||||||||||||||||
SIGEW70ES | 70 | 70 | 92 | 57 | 155 | M56×2 | 160 | 84 | 245 | 70 | 80 | 135 | 42 | 1 | 4 | 313 | 540 | M16×40 | 11.1 |
SIGEW70ES-D 2) | |||||||||||||||||||
SIGEW80ES | 80 | 80 | 105 | 67 | 170 | M64×3 | 180 | 92.5 | 270 | 78 | 90 | 148 | 48 | 1 | 4 | 400 | 695 | M20×50 | 15.01 |
SIGEW80ES-D 2) | |||||||||||||||||||
SIGEW90ES | 90 | 90 | 115 | 72 | 185 | M72×3 | 195 | 103 | 296 | 85 | 100 | 160 | 52 | 1 | 4 | 488 | 750 | M20×55 | 19.1 |
SIGEW100ES | 100 | 100 | 130 | 85 | 211 | M80×3 | 210 | 108 | 322.5 | 98 | 110 | 178 | 62 | 1 | 4 | 607 | 1060 | M24×60 | 25.5 |
SIGEW110ES | 110 | 110 | 140 | 88 | 235 | M90×3 | 235 | 118 | 364 | 105 | 125 | 190 | 62 | 1 | 4 | 654 | 1200 | M24×60 | 36.6 |
SIGEW125ES | 125 | 125 | 160 | 103 | 265 | M100×3 | 260 | 125 | 405 | 120 | 135 | 200 | 72 | 1 | 4 | 950 | 1430 | M24×70 | 52.6 |
SIGEW160ES | 160 | 160 | 200 | 130 | 326 | M125×4 | 310 | 138 | 488 | 150 | 165 | 250 | 82 | 1 | 4 | 1360 | 2200 | M24×80 | 79 |
SIGEW200ES | 200 | 200 | 250 | 162 | 418 | M160×4 | 390 | 173 | 620 | 195 | 215 | 320 | 102 | 1.1 | 4 | 2120 | 3650 | M30×100 | 164 |
SIGEW250ES | 250 | 250 | 350 | 192 | 580 | M200×4 | 530 | 217 | 847 | 265 | 300 | 420 | 142 | 1.1 | 4 | 3750 | 6400 | M36×140 | 430 |
SIGEW320ES | 320 | 320 | 450 | 260 | 700 | M250×6 | 640 | 272 | 1015 | 325 | 360 | 520 | 170 | 1.1 | 4 | 6200 | 10800 | M36×160 | 771 |
1)只能通過桿端眼孔潤滑。
2)桿端體采用碳鋼鍛造。
可裝自潤滑向心關節軸承。
若是左旋螺紋,軸承型號和螺紋標記需加“L”和“左”,例如:SILGEW40ES M33×2左-6H。

